• Home

  • Altavoces LF

  • 18PS100

  • Altavoces LF

    18PS100

    18 inch

    Subwoofer

    Features


    Capacidad de potencia de programa continuo: 1400 W
    Bobina de alambre de cobre: 100 mm (4 in
    Respuesta: 30- 1000 Hz
    Sensibilidad: 95.5 dB
    Araña siliconada doble con compliancia optimizada

    Especificación

    Diámetro nominal

    460 mm (18 in)

    Impedancia nominal

    8 Ω

    Impedancia minima

    6.3 Ω

    Manejo de potencia nominal

    700 W

    Manejo de potencia continua

    1400 W

    Sensibilidad

    95.5 dB

    Rango de frecuencia

    30 Hz - 1000 Hz

    Diámetro de la bobina

    100 mm (4 in)

    Material de la bobina

    Copper

    Former Material

    Fibra de Vidrio

    Profundidad del devanado

    21 mm (0.83 in)

    Magnetic Gap Depth

    10.5 mm (0.41 in)

    Densidad de flujo

    1.05 T

    Tratamiento del cono del woofer

    No

    Parámetros

    Fs

    30 Hz

    Re

    5.3 Ω

    Qes

    0.41

    Qms

    4.6

    Qts

    0.39

    Vas

    245 dm³ (8.6 ft³)

    Sd

    1210 cm² (187.6 in²)

    η0

    1.6 %

    Xmax

    8 mm

    Xvar

    8 mm

    Mms

    202 g

    Bl

    22.5 Tm

    Le

    2.1 mH

    EBP

    73 Hz

    Diseño

    Forma del ala de suspensión

    Triple Roll

    Forma del cono

    Radial

    Material del imán

    Ferrite

    Araña

    Siliconada Doble

    Diseño del perno

    Perno Tipo T

    Tratamiento del cono del woofer

    No

    Recinto recomendado

    250 dm³ (8.83 ft³)

    Sintonía recomendada

    29 Hz

    Información de montaje y envío

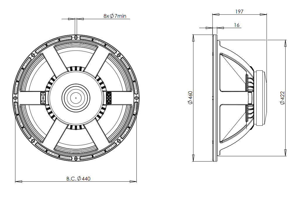
    Diámetro total

    460 mm (18 in)

    Diámetro de circunferencia de los tornillos

    440 mm (17.3 in)

    Diámetro de la perforación en el baffle

    422 mm (16.6 in)

    Profundidad

    197 mm (7.75 in)

    Espesor del reborde y junta

    16 mm (0.62 in)

    Air Volume Occupied by Driver

    9.5 dm³ (0.33 ft³)

    Peso neto

    10.2 kg (22.49 lb)

    Unidades del envío

    1 pcs

    Peso del envío

    11.8 kg (26.01 lb)

    Caja de envío

    500x495x275 mm (19.69x19.49x10.83 in)

    Service Kit

    lf Recone Kit
    RCK18PS1008
    • Cone

    • Gasket

    • Centering Shims